ГОСТ 24379.1-2012 распространяется на шайбы для фундаментных болтов.
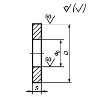
Чертеж шайбы ГОСТ 24379.1-2012

- Диаметр резьбы креп.детали: 48 мм
-
Вес: 740 кг (1000 шт шайб)
-
Высота S: 14 мм
Внести оплату можно безналичным способом на основании выставленного счета.
После обработки заказа, на указанный вами адрес электронной почты, отправляется счет, оплатить который можно в любом банке или on-line в личном кабинете вашего банка.
Доставка заказов по Москве и области
Стоимость доставки составляет 700 рублей. За границей МКАД – доплата 40 рублей за километр, но не менее 700 рублей.
Доставка осуществляется в будние дни с 8.00 до 21.00. В субботу и воскресенье, а также в ночное время с 21.00 до 08.00 - по предварительному согласованию с менеджером компании.
Доставка заказов по регионам России
Мы работаем только с надежными партнерами - транспортными компаниями, которые доставят ваш заказ по указанному адресу. Доставка осуществляется до терминала в вашем городе или до точного адреса по согласованию, конечный пункт доставки – уточняется при оформлении заказа. Стоимость доставки оплачивается непосредственно транспортной компании, в момент получения товара. До терминала в Москве доставка заказа бесплатная.
Отзывы
Алексей Овчаренко
06.12.2021
Заказывал фундаментные болты, сделали очень быстро и качественно. Спасибо, надеюсь на дальнейшее сотрудничество
Дмитрий Анненков
14.02.2022
Размещали заказ на фундаментные болты, изготовили и отправили транспортной компанией. Будем обращаться ещё! Спасибо вам за хорошую работу
Спасибо, сработали оперативно, на изготовление ушло меньше суток
Анонимный отзыв
03.12.2021
Заказ выполнен качественно, а главное в срок! Спасибо!
Александр Ширяев
12.04.2024
Написал запрос о заказе шпилек для крепления мауэрлата, получил оперативно ответ и цену в том числе на доставку .
Сделано все качественно , в минимальные сроки. Не сравнится с говнокитайскими шпильками из леруа.
Были нюансы со СДЭКом, но все порешали. Все нашли. Продавец(изготовитель) и тут был адекватным, сказал что если будет некомплект , то все пришлют допом. Как говорится успокоил.
Ставлю уверенную 5. Успехов и развития вам!