1. Главная
  2. Каталог
  3. Шпильки
  4. Шпилька ГОСТ 22036-76
  5. Шпилька M48 ГОСТ 22036-76 от 80 до 300 мм

Шпилька M48 ГОСТ 22036-76 от 80 до 300 мм

Шпилька M48 ГОСТ 22036-76 от 80 до 300 мм

  • Диаметр: 48 мм
  • Длина: от 80 до 300 мм
Цена: Цена по запросу
Вся продукция сертифицирована Паспорта качества, протоколы испытаний и все необходимые сертификаты на металл и сырье.
Собственный автопарк Позволяет сократить стоимость и сроки доставки готовых изделий. Также в 5 мин от нас 3 транспортные компании: Байкал Сервис, Деловые Линии, ПЭК.
Описание
Характеристики
Оплата
Доставка
Сертификаты
Отзывы

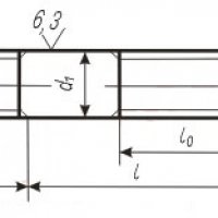
ГОСТ 22036-76 распространяется на шпильки, имеющие класс точности В.

Применяются шпильки по ГОСТ 22036-76 в стальных конструкциях, мостовых конструкциях, металлических конструкциях, в тяжелом машиностроении.

Конструкция шпилек ГОСТ 22036-76

img_gost_22036-76.jpg
  • Диаметр: 48 мм
  • Длина: от 80 до 300 мм
Внести оплату можно безналичным способом на основании выставленного счета.

После обработки заказа, на указанный вами адрес электронной почты, отправляется счет, оплатить который можно в любом банке или on-line в личном кабинете вашего банка.
Доставка заказов по Москве и области

Стоимость доставки составляет 700 рублей. За границей МКАД – доплата 40 рублей за километр, но не менее 700 рублей.

Доставка осуществляется в будние дни с 8.00 до 21.00. В субботу и воскресенье, а также в ночное время с 21.00 до 08.00 - по предварительному согласованию с менеджером компании.

Доставка заказов по регионам России

Мы работаем только с надежными партнерами - транспортными компаниями, которые доставят ваш заказ по указанному адресу. Доставка осуществляется до терминала в вашем городе или до точного адреса по согласованию, конечный пункт доставки – уточняется при оформлении заказа. Стоимость доставки оплачивается непосредственно транспортной компании, в момент получения товара. До терминала в Москве доставка заказа бесплатная.

Отзывы

Антон Егорченков
16.07.2025
Прораб забыл заказать фундаментные болты, я обратились в данную компанию, проконсультировали и изготовили в тот же день. Будем еще обращаться! Спасибо!
ooovcharenko
16.12.2021
Заказывал фундаментные болты у этого поставщика. У них своя производственная линия в Москве поэтому всё сделали быстро, оформили и доставили на следующий день на своём транспорте. В общем без нареканий
Николай Баскаков
21.04.2024
Не однозначные ребята. Все что связанно со сваркой и резкой сделают на высшем уровне, закладные, пластины из металла и.т.д. более точные детали требующие гибку, либо вырезать в трубе отверстия уже к сожалению не тянут. Жаль очень близко находятся к нам
Ony
22.05.2022
Заказывал блок фундаментных болтов, изготовили в обговорённые сроки. Спасибо!
Алина К.
15.07.2025
Спасибо, сработали оперативно, на изготовление ушло меньше суток
Максим Дубинин
26.04.2024
Рекомендую эту организацию! Нужны были очень срочно типовые анкера с термодиффузионной обработкой цинком для опор контактно сети РЖД. Изготовили оперативно и в лучшем виде ( даже раньше запланированного срока), за это отдельное спасибо руководителю Эльвиру Кидрасову!
Консультант по крепежным изделиям
Главный инженер
Роман Аникин
Опыт в сфере крепежных и металлических изделий более 12 лет. Подробно расскажу о том, какое изделие выбрать именно под вашу задачу.

Аналогичные товары

Быстрый подбор
Подберите изделие за 1 минуту!
Укажите ваши контакты и наш менеджер пришлет предложение в течение 15 минут
Ваше имя
Номер телефона
Напишите какоие изделия необходимо изготовить
Спасибо! Ваша заявка отправлена